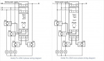
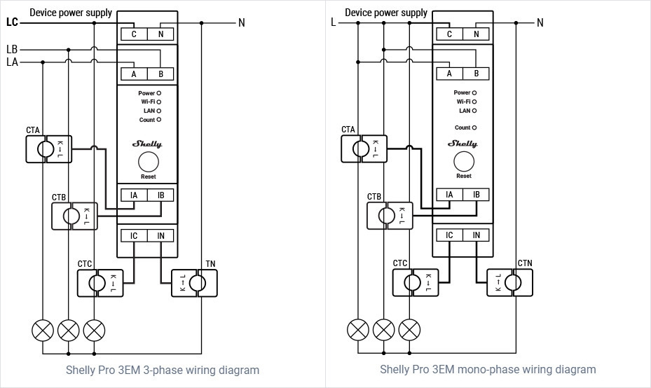
Shelly Pro3 EM er en 3-faset energimåler, der ved hjælp af transformator-klemmer måler energi i tre individuelle faser med en belastning på op til 120 A og en nøjagtighed på 99 %. Enheden rapporterer i realtid den akkumulerede energi samt den øjeblikkelige spænding, strøm og effektfaktor for hver fase. Den gemmer data i et ikke-flygtigt hukommelse, som kan hentes op til 60 dage tilbage med 1 minuts intervaller.
Shelly Pro 3EM er designet til montering på en DIN-skinne og leveres med tre strømtransformere. Enheden rapporterer effektmåling (W), spændingsmåling (V), strømmåling (A) og effektfaktor (PF) i realtid og gemmer målingerne i op til 60 dage lokalt på enheden og i 365 dage, når den er tilsluttet Shelly Cloud-applikationen. Enheden opfylder også kravene i standarden IEC 62053-21 med en nøjagtighed svarende til klasse B (maks. 1 % afvigelse). Shelly Pro 3EM har et indbygget realtidsur, der bevarer tid og dato, hvis forbindelsen til SNTP-serveren afbrydes.
Shelly Pro 3EM kan tilsluttes internettet eller et lokalt 2,4 GHz WiFi-netværk. Derudover har enheden indbygget Bluetooth, som alle Pro- og Plus-enheder, hvilket gør det muligt at bruge Shelly Pro 3EM som gateway til andre Shelly Bluetooth-enheder. Enheden fungerer lokalt uden forbindelse til Shelly Cloud, men det anbefales at aktivere denne for at lette datalagring og øge funktionaliteten. Enheden kan også kommunikere via MQTT, HTTP og WebSocket. Derudover understøtter Pro 3EM MODBUS-bussen, hvilket muliggør nem og hurtig implementering i eksisterende industrielle installationer.
Enheden er udstyret med 2. generations hardware, der indeholder en effektiv ESP32-processor og forbedrede sikkerhedsfunktioner, såsom beskyttelse mod overophedning, overstrøm, overspænding og overbelastning. Det muliggør også brug af kommandosætfunktioner til avancerede og tilpassede funktioner samt en rækkeviddeudvidelsesfunktion med enheden.
Bemærk, at Shelly Pro 3EM ikke har et indbygget tørkontaktrelæ, som det gamle Shelly 3EM havde. I stedet kan man tilslutte et Shelly Pro Add-On-modul til op til trefaset kobling.
Shelly n's smarthusprodukter understøtter de virtuelle assistenter Amazon Alexa og Google Assistant. Ud over de ovennævnte understøttes også flere andre smarthus-systemer/platforme (kontroller kompatibiliteten for det enkelte produkt). Shellys produkter tilsluttes et trådløst Wi-Fi-netværk og kræver ikke en separat smarthus-controller for at fungere.
Bemærk, at installationen kun må udføres af en autoriseret elektriker.
Egenskaber:
- Model: Shelly Pro 3EM
- Nominel spænding: vekselstrøm: 110 - 240 V, 50/60 Hz
- Tre uafhængige målekanaler på maks. 120 A
- Det interne hukommelse kan gemme historiske data for op til 60 dage
- Trådløs standard: Wi-Fi 802.11b/g/n, 2,4 GHz
- MQTT, HTTP, WebSocket, MODBUS-understøttelse
- Shelly Cloud-app – understøtter Android og iOS
- Driftstemperatur: -20 ºC til +40 ºC, kun til indendørs brug
- Mål: 94 x 19 x 69 mm
- Vægt: 62 g
Indhold i salgspakken:
- Shelly Pro 3EM
- 120 A klemmer, 3 stk.
- Hurtigvejledning
- Tilsluttes til Wi-Fi-netværk
- Til måling af strømforbrug
- Til måling af tre faser
